Product Summary
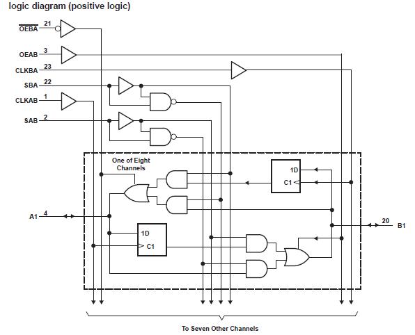
The 5962-9153001MXA device consists of bus transceiver circuits, D-type flip-flops, and control circuitry arranged for multiplexed transmission of data directly from the data bus or from the internal storage registers.
Parametrics
Absolute maximum ratings: (1)Supply voltage range, VCC: – 0.5 V to 7 V; (2)Input voltage range: Control inputs: – 0.5 V to 7 V; (3)I/O ports: – 0.5 V to 5.5 V; (4)Voltage range applied to any output in the disabled or power-off state, VO: – 0.5 V to 7 V; (5)Voltage range applied to any output in the high state, VO: – 0.5 V to VCC; (6)Current into any output in the low state: 96 mA; (7)Operating free-air temperature range: – 55℃ to 125℃; (8)Storage temperature range: – 65℃ to 150℃.
Features
Features: (1)State-of-the-Art BiCMOS Design Significantly Reduces ICCZ; (2)ESD Protection Exceeds 2000 V Per MIL-STD-883C, Method 3015; Exceeds 200 V Using Machine Model (C = 200 pF, R = 0); (3)Independent Registers and Enables for A and B Buses; (4)Multiplexed Real-Time and Stored Data; (5)Power-Up High-Impedance Mode; (6)Package Options Include Plastic Small-Outline (DW) Packages, Ceramic Chip Carriers (FK) and Flatpacks (W), and Standard Plastic and Ceramic 300-mil DIPs (JT, NT).
Diagrams

![]() |
![]() 5962 |
![]() Pomona Electronics |
![]() Test Clips TEST CLIP 20/24 P |
![]() Data Sheet |
![]() Negotiable |
|
||||||||
![]() |
![]() 5962(1"x36yd) |
![]() 3M Electronic Specialty |
![]() Tapes & Mastics 5962 1 X 36 YD BULK |
![]() Data Sheet |
![]()
|
|
||||||||
![]() |
![]() 5962-0051401VPA |
![]() Texas Instruments |
![]() Power Driver ICs Non-Inverting Hi Spd Pwr Drvr |
![]() Data Sheet |
![]()
|
|
||||||||
![]() |
![]() 5962-0152001VPA |
![]() Texas Instruments |
![]() Power Driver ICs Comp Hi Crnt MOSFET Drvr |
![]() Data Sheet |
![]()
|
|
||||||||
![]() |
![]() 5962-0254501MZA |
![]() National Semiconductor (TI) |
![]() Operational Amplifiers - Op Amps |
![]() Data Sheet |
![]()
|
|
||||||||
![]() |
![]() 5962-0254501VPA |
![]() National Semiconductor (TI) |
![]() Operational Amplifiers - Op Amps |
![]() Data Sheet |
![]()
|
|
||||||||
(China (Mainland))








